GT氣動執行器以氣源為驅動力經氣缸內的活塞帶動齒輪齒條等部件,最終轉換成輸出扭矩力來控制閥門啟閉;分單作用和雙作用兩種功能規格,可根據客戶實際情況選擇;也可預先設定為正作用或者反作用。GT氣動執行器是一款非常成熟的氣動執行機構,使用范圍很廣、使用歷史久遠,相比于其他閥門執行器具有明顯的價格優勢。GT氣動執行器適配蝶閥、球閥、旋塞閥等做90°角行程的閥門控制。
產品參數
規格型號:GT63
型號意義:GT—氣動執行器種類 63—氣缸缸體內徑
工作行程:90°±5°
適用氣源:0.4~0.7MPa
氣源接口:符合NRMAR標準
輸出扭矩:23~41Nm
作用形式:雙作用
環境溫度:標準型-20℃~ +80℃
高溫型-15℃~ +180℃
低溫型-50℃~ +80℃
須在訂貨時確認!
電磁閥電源:AC220V或DC24V(也可按客戶要求)
具體輸出扭矩,請查看下方輸出扭矩力詳表。
| GT雙作用輸出力矩表(Nm) |
| 型號 | 0.4MPa | 0.5MPa | 0.6MPa | 0.7MPa |
| GT52 | 16 | 20 | 23 | 27 |
| GT63 | 23 | 29 | 35 | 41 |
| GT75 | 40 | 50 | 60 | 70 |
| GT83 | 56 | 70 | 84 | 98 |
| GT92 | 78 | 97 | 116 | 136 |
| GT110 | 113 | 141 | 169 | 197 |
| GT118 | 168 | 210 | 252 | 294 |
| GT127 | 220 | 275 | 320 | 385 |
| GT143 | 352 | 440 | 528 | 616 |
| GT160 | 440 | 550 | 660 | 770 |
| GT190 | 790 | 987 | 1184 | 1382 |
| GT210 | 948 | 1185 | 1422 | 1659 |
| GT254 | 1700 | 2000 | 2500 | 3045 |
| GT255 | 2172 | 2715 | 3258 | 3801 |
| GT300 | 3136 | 3921 | 4705 | 5489 |
| GT350 | 4981 | 6226 | 7471 | 8717 |
產品結構

| 1 | 齒輪齒輪 | 4 | 端蓋螺栓 |
| 2 | 調節螺釘 | 5 | 鋁合金缸體 |
| 3 | 組合彈簧 | 6 |
|
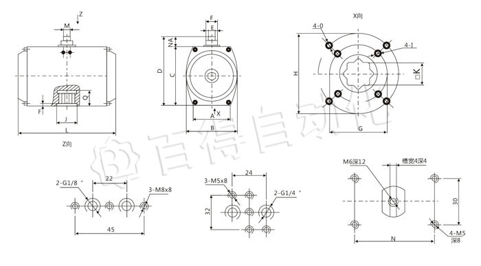
安裝尺寸

| GT型氣動執行器外形尺寸表 |
| 型號 | A | B | C | D | φE | φF | φG | Φh | I | O | □K | M | N | P | Q | L | 接口 螺紋 |
| NA=20 | NA=30 |
| GT52 | 50 | 59 | 74 | 94 | 104 | 12 | 12 | ISO F03 φ36 | ISO F05 φ50 | M5×8 | M6×10 | CH.11 | CH.10 | 80 | 2 | 18 | 125 | G1/8〃 |
| GT63 | 60 | 70 | 88 | 108 | 118 | 12 | 12 | ISO F05 φ50 | ISO F07 φ70 | M6×10 | M8×13 | CH.11 | CH.10 | 80 | 2 | 18 | 140 | G1/8〃 |
| GT75 | 65 | 83 | 100 | 120 | 130 | 14 | 18 | ISO F05 φ50 | ISO F07 φ70 | M6×10 | M8×13 | CH.14 | CH.10 | 80 | 2 | 19 | 165 | G1/8〃 |
| GT83 | 65 | 91 | 108 | 128 | 138 | 14 | 18 | ISO F05 φ50 | ISO F07 φ70 | M6×10 | M8×13 | CH.17 | CH.10 | 80 | 2 | 19 | 182 | G1/8〃 |
| GT92 | 70 | 100 | 117 | 137 | 147 | 20 | 25 | ISO F05 φ50 | ISO F07 φ70 | M6×10 | M8×13 | CH.17 | CH.14 | 80 | 2 | 19 | 209 | G1/8〃 |
| GT110 | 90 | 120 | 140 | 160 | 170 | 20 | 25 | ISO F07 φ70 | ISO F10 φ102 | M8×13 | M10×16 | CH.17 | CH.14 | 80 | 3 | 25 | 222 | G1/4〃 |
| GT118 | 90 | 120 | 140 | 160 | 170 | 28 | 40 | ISO F07 φ70 | ISO F10 φ103 | M8×13 | M10×16 | CH.22 | CH.20 | 80 | 3 | 25 | 294 | G1/4〃 |
| GT127 | 103 | 137 | 160 | 180 | 190 | 28 | 40 | ISO F07 φ70 | ISO F10 φ102 | M8×13 | M10×16 | CH.22 | CH.20 | 80 | 3 | 25 | 284 | G1/4〃 |
| GT143 | 110 | 172 | 198 | - | 228 | 28 | 40 | ISO F10 φ102 | ISO F12 φ125 | M10×16 | M12×20 | CH.27 | CH.20 | 130 | 3 | 27 | 361 | G1/4〃 |
| GT160 | 110 | 172 | 198 | - | 228 | 36 | 40 | ISO F10 φ103 | ISO F12 φ125 | - | M12×20 | CH.27 | CH.28 | 130 | 3 | 29 | 378 | G1/4〃 |
| GT190 | 135 | 224 | 255 | - | 285 | 36 | 45 |
| ISO F14 φ140 | - | M16×25 | CH.36 | CH.28 | 130 | 3 | 36 | 418 | G1/4〃 |
| GT210 | 135 | 224 | 255 | - | 285 | 36 | 45 |
| ISO F14 φ140 | - | M16×25 | CH.36 | CH.32 | 130 | 4 | 40 | 452 | G1/4〃 |
| GT254 | 159 | 272 | 302 | - | 332 | 40 | 75 |
| ISO F16 φ165 | - | M20×28 | CH.46 | CH.32 | 130 | 4 | 50 | 603 | G3/8" |
| GT255 | 159 | 272 | 302 | - | 332 | 40 | 75 |
| ISO F16 φ165 | - | M20×28 | CH.46 | CH.32 | 130 | 4 | 50 | 683 | G3/8" |
| GT300 | 196 | 324 | 350 | - | 380 | 40 | 75 |
| 200×140 | - | M20×32 | CH.46 | CH.32 | 150 | 4 | 50 | 700 | G3/8" |
| GT350 | 220 | 380 | 408 | - | 438 | 40 | 105 |
| 260×160 | - | M20×38 | CH.60 | CH.32 | 150 | 4 | 70 | 795 | G3/8"
|